| Electrical specifications (initial value) |
2DSVA Series | |
| Products | 2DSVA-*****-BA* | 2DSVA-11***-BAP* |
| Number of circuits | 2 circuits (Law1 and Law2) | 2 circuits (Law1 and Law2) |
| Type of output laws |
Law1: Linear taper Law2: Audio taper |
Law1: Linear taper Law2: AP taper |
| Circuit method |
Law1: Potentiometer circuit Law2: Ladder circuit |
|
| Total resistance (1-3) | 10kohm, 5kohm | |
| Total resistance tolerance | ±20% | |
| Absolute linearity (Linear taper) |
±5% (The travel is divided into 10 sections and 11 positions are measured.) | |
| Residual voltage (1-2), (2-3) (Linear taper) |
20mV or less |
|
| Residual resistance (1-2), (2-3) (Linear taper) |
50ohm or less |
|
| Attenuation accuracy [Load: high] (Audio taper, AP taper) |
0 - 20dB: ±3.0dB |
|
| Insertion loss (Audio taper, AP taper) |
0.5dB or less |
|
| Cut off [15kHz] (Audio taper, AP taper) |
95dB Min. |
|
| Voltage proof | 1 Min. at AC500V | |
| Insulation resistance | 50Mohm or more at DC250V | |
| Max rating | 0.2W (Linear taper), 0.1W (Other taper) | |
| Maximum input voltage | DC30V or less | |
| Sliding noise level | 47mV or less (by JIS C 6443) | |
| Sliding life | 100,000 Cycles Min. (18cycles/min, Sliding noise level: Less than 100mV) | |
| Mechanical specifications (initial value) |
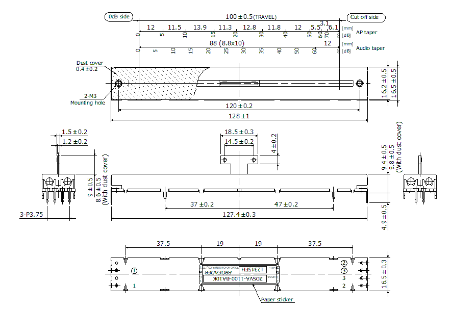
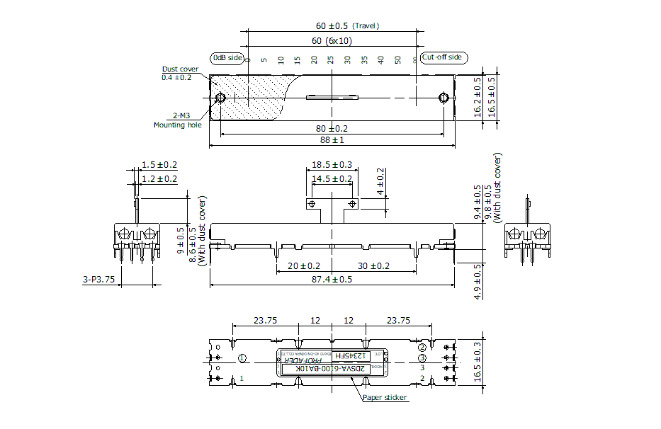
2DSVA-1100 Series | 2DSVA-6100 Series |
| Travel (Stroke) length | 100mm ±0.5mm | 60mm ±0.5mm |
| Operating force |
0 to 0.1N (Standard) 0.1 to 0.4N (High operating force) |
|
| Strength Nut-Attached | 100Ncm | |
| Attached parts | M3 screw (Length: Panel thickness + 3mm) | |
| Stopper strength | 30N | |
| Push-pull strength | 30N | |
| Alignment to the center | ±0.5mm (State not to pressure control-bar, Measurement position: Mounting surface) | |
| General specifications | 2DSVA Series |
| Temperature range | -10 to +70 degrees C (Operating), -15 to +75 degrees C (Storage) |
| Relative humidity | 90%RH (No condensation) |


