| Electrical specifications (initial value) |
CPA-TE-9100 Series | |||
| Products | CPA-TE-910*-B* | CPA-TE-910*-2B* | CPA-TE-910*-A* | CPA-TE-910*-AP* |
| Number of circuits | 1 circuit | 2 circuits | 2 circuits | 2 circuits |
| Type of output laws |
Law1: Linear taper Law2: - |
Law1: Linear taper Law2: Linear taper |
Law1: Linear taper Law2: Audio taper |
Law1: Linear taper Law2: AP taper |
| Circuit method |
Law1: Potentiometer circuit Law2: - |
Law1: Potentiometer circuit Law2: Potentiometer circuit |
Law1: Potentiometer circuit Law2: Ladder circuit |
|
| Total resistance (1-C), (1-3) | 10kohm, 5kohm | |||
| Total resistance tolerance | ±20% | |||
| Absolute linearity (Linear taper) | Within ±5% of the input voltage at each position. | |||
| Residual voltage (1-2), (2-3) (Linear taper) |
10mV or less | |||
| Residual resistance (1-2), (2-3) (Reference values) |
30ohm or less (Reference values) | |||
| Touch sense track contact resistance | 20ohm or less (Between terminal 4 and Control-bar.) | |||
| Attenuation accuracy [Load: high] (Audio taper / AP taper) |
- | 0 - 20dB: ±1.0dB (10dB: ±0.5dB) - 40dB: ±2.0dB |
||
| Insertion loss (Audio taper / AP taper) |
- | 0.5dB or less |
||
| Cut off [15kHz] (Audio taper / AP taper) |
- | 100dB Min. |
||
| Voltage proof | 1 Min. at AC500V | |||
| Insulation resistance | 50Mohm or more at DC500V | |||
| Max rating | 0.2W (Linear taper), 0.1W (Other taper) | |||
| Maximum input voltage | DC30V or less | |||
| Sliding noise level | 47mV or less (by JIS C 6443) | |||
| Sliding life | 100,000 Cycles Min. (18cycles/min, Sliding noise level: Less than 100mV) | |||
| Mechanical specifications (initial value) |
CPA-TE-9100 Series |
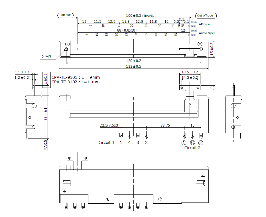
| Travel (Stroke) length | 100mm ±0.5mm |
| Operating force | 0.03 to 0.2N |
| Strength Nut-Attached | 100Ncm |
| Attached parts | M3 screw / 4-40UNC screw (Length: Panel thickness + 3mm) |
| Stopper strength | 40N |
| Push-pull strength | 40N |
| Alignment to the center | ±0.5mm (State not to pressure control-bar, Measurement position: Mounting surface) |
| General specifications | CPA-TE-9100 Series |
| Temperature range | -10 to +50 degrees C (Operating), -15 to +60 degrees C (Storage) |
| Relative humidity | 80%RH (No condensation) |


